首页
关于我们
公司简介
发展之路
资质证书
品质保证
产品展示
船用发电机
千亿体育唯一官方网站(中国)有限公司
新闻中心
公司动态
客户与合作伙伴
服务中心
服务
识别真伪
防伪查询
下载中心
千亿体育唯一官方网站(中国)有限公司
全部
船用发电机
千亿体育唯一官方网站(中国)有限公司
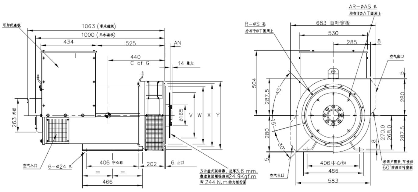
GR314 三相陆用发电机
特点:
●定子绕组12个出线端可以重接满足不同的电压等级
●先进的自动电压调节器控制
●2/3的绕组节距抑制过多的中线电流
●单支点或双支点结构
●易于安装和维护
●标准免维护密封轴承
●标准IP22防护等级
选项或附件
●绕组温度传感器RTD
●轴承温度传感器RTD
●绕组温度保护热敏电阻和继电器
●可选的永磁发电机提供励磁使控制系统与输出隔离
●可选MX341或MX321AVR,可选的三相感应检测模块
●
使用AS440AVR可以满足士0.5%的电压调整率
●防冷凝加热器
●空气过滤器
●并联运行下垂互感器
●抗无线电干扰抑制器
●功率因素控制器PFC3
●选配
IP23防护等级
在线咨询
在线咨询
产品名称
*
:
电子邮箱
*
:
联系人 :
电话 :
咨询内容 :
提交
重置
产品详情
注:所有陆用额定值是基于海拔1000米内,环境温度为40°C。
其它电压范围的发电机要根据用户需要设计制造。
上一页:没有了
下一页:
工业制砂设备配件
热门推荐
GR450GHJ 三相陆用发电机
GR450EF 三相陆用发电机
GR400 三相陆用发电机
GR355 三相陆用发电机
GR314 三相陆用发电机
首页
电话
短信
联系
好博(中国)体育官方网站
|
星空官方站线登录入口
|
yabocom(中国)官方网站
|
欧宝ob官网登录入口(中国)有限公司
|
乐动在线官网
|
C17官方网站
|
爱游戏ayx官方网页
|
好博在线官网
|
MK平台
|